Главная
Объекты
О материале
Каталог
Контакты
Изготовление и монтаж фасадного декора из архитектурного бетона с фактурой камня от производителя
ЛАЙТСТОУН
Заказать фасадный декор под ключ у нас
Связаться с директором:
8 (495) 127 10 19
Обсудить проект
Главная
Объекты
О материале
Каталог
Контакты
Заказать фасадный декор под ключ у нас
8 (495) 127 10 19
О материале
Главная
Объекты
Каталог
Контакты
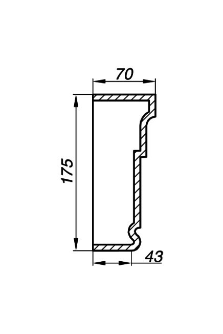
Наличник LSN-17-3 17570
Главная
→
Каталог
→
Наличники
→
Наличник LSN-17-3 17570
Наличник LSN-17-3 17570
LSN-17-3 17570
€
По запросу
€
Наличник LSN-17-3 17570 является одним из образцов классических наличников.
Наличник LSN-17-3 17570 можно заказать в любом цветовом решении из палитры фактур и цветов Лайтстоун или под индивидуальный заказ.
Цену уточняйте у менеджера.
⇲
Чертеж и модель в ArchiCAD (.dwg)
⇲
Скачать модель 3dmax (.max)
Получить консультацию
Чертёж элемента
Позвоню в удобное время
Александр Шабалин
Как к вам обращаться?
Введите ваш телефон
Позвоните мне
Нажимая на кнопку, вы даете согласие на обработку своих персональных данных и соглашаетесь с
Политикой конфиденциальности